AMP5-RV spiraalivaihteiston paineilmamoottorin tuoteparametrit:    
  Alennussuhdealue: 7,5-80, teho: 0,37KW, hevosvoimat: 0,5hv, vääntömomentti: 26,8-281,5N.m, vapaanopeus: 78-7rpm, ilmankulutus: 0,4m³/min, paino: 6,5-8,0KG (eri alennussuhteet) , eri painot), valinnaiset asennustavat: pystysuora, vaaka, valinnainen käsisäätöventtiili, jarru, ohjain. 
     Vakioominaisuudet:    
  Kun paineilmaa käytetään turvallisuuden ja räjähdyssuojauksen teholähteenä, tuotteella on räjähdysturvallisuussertifikaatti ja se täyttää kansalliset turvallisuusstandardit. Kierrevaihteiston vähennysventtiili käyttää ohjausventtiiliä käynnistyksen, säädön ja pysäytyksen vaihtamiseen, ja se voi vaihtaa suunnan välittömästi. Moottori on suunniteltu suljettavaksi kokonaisuutena ja sitä voidaan käyttää pölyisissä, kosteissa ja ankarissa ympäristöissä. Sitä käytetään laajasti kemianteollisuudessa, puolijohteissa, kiteissä, petrokemianteollisuudessa, biokemiallisessa teknologiassa, maalitehtaissa, automatisoiduissa koneissa ja muilla teollisuudenaloilla. 
     Työympäristö:    
  Neste: Paineilma  
  Käyttöpaine: 5 kg/cm     2    (70psi)  
  Suurin työpaine: 6kg/cm     2    (85psi)  
  Ympäristön lämpötila: -10°C ~ 70°C (voidaan käyttää vain jäätymättömässä tilassa)  
  Voiteluöljy: IS0VG32 tai vastaava. (Öljyä on lisättävä öljysumulla, 2-3 tippaa minuutissa).  
  Jatkuva käyttö: Kyllä (ei voi toimia jatkuvasti ilman kuormitusta).  
  Suositeltu nopeus: (0,3~1) x suurin lähtönopeus. 
Yksityiskohtaiset parametrit
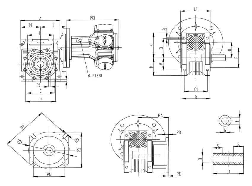
Asennusmittapiirros
  
 
     Asennusmittataulukko   
   
| Vähentäjä Malli | PM | PK | PN | PO | PP |               |    
| RV63 |       150 5,9"  |           142 5,6"  |           115 4,5"  |           11 0,43"  |           180 7,1"  |    |
| RV75 |       165 6,5"  |           170 6,7"  |           130 5,1"  |           14 0,55"  |           200 7,9"  |    |
| RV90 |       175 6,9"  |           200 7,9"  |           152 5,9"  |           14 0,55"  |           210 8,3"  |    |
| RV110 |       230 9,1"  |           260 10,2"  |           170 6,7"  |           14 0,55"  |           280 11"  |    
|       Tuotteen malli  |           A  |           B  |           C  |           C1  |           D (h)  |           E  |           G  |           H  |           minä  |           L1  |           M  |           N  |           O  |           P  |           Q  |           R  |           S  |           T  |           V  |           PA  |           PB  |           PC  |           PE  |           PM  |           PN (H8)  |           PO  |           PP  |           PQ  |           b  |           t  |    
|       AMP5-RV63-G7.5  |           144 5,67"  |           174 6,85"  |           100 3,94"  |           85 3,35"  |           25 0,98"  |           80 3,15"  |           103 4,06"  |           95 3,74"  |           95 3,74"  |           112 4,41"  |           72 2,83"  |           102 4,02"  |           63 2,48"  |           110 4,33"  |           80 3,15"  |           85 0,33"  |           36 1,42"  |           8 0,31"  |           50 1,97"  |           82 3,23"  |           10 0,39"  |           6 0,24"  |           M8X14(n=8)  |           150 5,91"  |           115 4,53"  |           11(n=4) 0,43"  |           180 7,09"  |           142 5,59"  |           8 0,31"  |           28.3 1,11"  |    
|       AMP5-RV63-G10  |    ||||||||||||||||||||||||||||||
|       AMP5-RV63-G15  |    ||||||||||||||||||||||||||||||
|       AMP5-RV63-G20  |    ||||||||||||||||||||||||||||||
|       AMP5-RV63-G25  |    ||||||||||||||||||||||||||||||
|       AMP5-RV63-G30  |    ||||||||||||||||||||||||||||||
|       AMP5-RV63-G40  |    ||||||||||||||||||||||||||||||
|       AMP5-RV75-G50  |           172 6,8"  |           205 8,07"  |           120 4,7"  |           90 3,5"  |           28 1,1"  |           95 3,7"  |           112 4,4"  |           115 4,5"  |           112.5 4,4"  |           120 4,7"  |           86 3,4"  |           119 4,7"  |           75 3"  |           140 5,5"  |           93 3,7"  |           11 0,43"  |           40 1,6"  |           10 0,39"  |           60 2,4"  |           111 4,4"  |           13 0,5"  |           6 0,23"  |           M8X14(n=8)  |           165 6,5"  |           130 5,1"  |           14(n=4) 0,55"  |           200 7,9"  |           170 6,7"  |           8 0,31"  |           31.3 12"  |    
|       AMP5-RV75-G60  |    ||||||||||||||||||||||||||||||
|       
 AMP5-RV90-G80  |           206 8,1"  |           238 9,4"  |           140 5,5"  |           100 3,9"  |           35 1,4"  |           110 4,3"  |           130 5,1"  |           130 5,1"  |           129.5 5,1"  |           140 5,5"  |           103 4,1"  |           135 5,3"  |           90 3,5"  |           160 6,3"  |           102 4,0"  |           13 0,5"  |           45 1,8"  |           11 0,43"  |           70 2,8"  |           111 4,4"  |           13 0,5"  |           6 0,23"  |           M10X18(n=8)  |           175 6,9"  |           152 6,0"  |           14(n=4) 0,6"  |           210 8,3"  |           200 7,9"  |           10 0,4"  |           38.3 1,5"  |    
Tekninen tiedote
|       Tuotteen malli  |           Tehoa  |           Nimellisnopeus  |           Vääntömomentti  |           Torguen talli  |           Ilmankulutus  |           Paino  |    ||||
|       (HP)  |           (kw)  |           rpm  |           (Nm)  |           (lft. bt)  |           (Nm)  |           (lft. bt)  |           (m³/min)  |           (CFM)  |           (KG)  |    |
|       AMP5-RV63-G7.5  |           0.5  |           0.37  |           78  |           26.8  |           19.8  |           42.6  |           31.4  |           0.4  |           14.1  |           6.5  |    
|       AMP5-RV63-G10  |           58  |           31.5  |           23.2  |           49.5  |           36.5  |    |||||
|       AMP5-RV63-G15  |           38  |           53.5  |           39.5  |           84.2  |           62.1  |    |||||
|       AMP5-RV63-G20  |           27.5  |           70.7  |           52.2  |           115.6  |           85.3  |    |||||
|       AMP5-RV63-G25  |           22.5  |           88.5  |           65.3  |           139.8  |           103.2  |           
  |    ||||
|       AMP5-RV63-G30  |           18  |           106.2  |           78.4  |           165.6  |           122.2  |    |||||
|       AMP5-RV63-G40  |           14  |           142  |           104.8  |           217.3  |           160.4  |    |||||
|       AMP5-RV75-G50  |           11  |           176.8  |           130.5  |           271.5  |           200.4  |           8.0  |    ||||
|       AMP5-RV75-G60  |           9  |           211.7  |           156.2  |           322.4  |           237.9  |    |||||
|       AMP5-RV90-G80  |           7  |           281.5  |           207.7  |           425.6  |           314.1  |           
  |    ||||

Nykyaikaisissa teollisuustuotantojärjestelmissä voimayksiköiden suorituskyky määrittää suoraan tuotantoprosessien tehokkuuden ja vakauden. Ajoneuvolaitteena, joka käyttää paineilmaa sen ydinvirtalä...
Katso lisääNykyaikaisessa teollisuudessa voimansiirtolaitteiden valinta vaikuttaa suoraan tuotannon tehokkuuteen ja toiminnan vakauteen. Paineilman avulla valtuuttamana käyttölaitteena Positiivinen si...
Katso lisääNykyaikaisen teollisuustuotannon laajassa areenalla nostolaitetete ovat välttämuTön "Kulissien Takana sankari", Joka Tukee Hiljaa Erilaisten tutotanprosessien sujuvaa toimintaa. Heidän Joukossaan, ...
Katso lisääPysy yhteydessä